
The Ronstan RF78A Fork & Fork Swivel is a ball
bearing swivel have lower friction and higher working loads than
non ball bearing versions. It is used in conjunction with blocks
and rigging systems to provide articulation and rotation, but is
not suitable for high speed rotating applications.
Ronstan RF78A Fork & Fork Swivel Features:
- Durable construction
- Non-corrosive
- Marine-grade
- Grade 316 stainless steel
- Ball bearing swivel
- With fork and fork ends
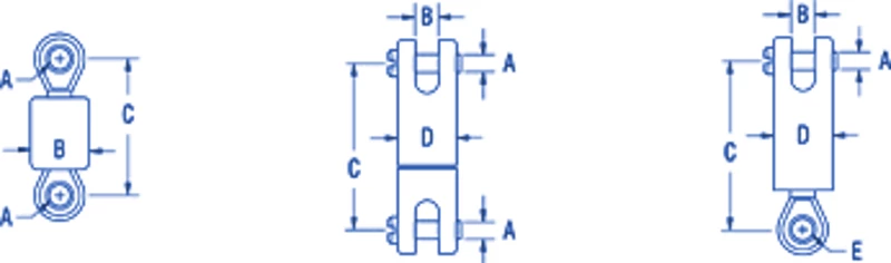
Ronstan RF78A Fork & Fork Swivel
Specifications:
- A: 6.4 mm
- B: 9.6 mm
- C: 54.1 mm
- B. L.: 1700 kg
- Weight: 82 g

Ronstan RF1246 Large Above Deck Jib Furler Height 114mm 




Reviews
There are no reviews yet.